100G QSFP28 SR4 Optical Transceiver
100G QSFP28 ais designed for use in 100 Gigabit per second links over multimode fiber. They are compliant with the QSFP28 MSA and IEEE 802.3bm
The 100G QSFP28 portion of the transceiver incorporates a 4-channel VCSEL (Vertical Cavity Surface Emitting Laser) array, a 4-channel input buffer and laser driver, diagnostic monitors, control and bias blocks. For module control, the control interface incorporates a Two Wire Serial interface of clock and data signals. Diagnostic monitors for VCSEL bias, module temperature, transmitted optical power, received optical power and supply voltage are implemented and results are available through the TWS interface. Alarm and warning thresholds are established for the monitored attributes. Flags are set and interrupts generated when the attributes are outside the thresholds. Flags are also set and interrupts generated for loss of input signal (LOS) and transmitter fault conditions. All flags are latched and will remain set even if the condition initiating the latch clears and operation resumes. All interrupts can be masked and flags are reset by reading the appropriate flag register. The optical output will squelch for loss of input signal unless squelch is disabled. Fault detection or channel deactivation through the TWS interface will disable the channel. Status, alarm/warning and fault information are available via the TWS interface.
Product Features
* Maximum link length of 100m links on OM4 multimode fiber
* Up to 27.952 Gbps Data rate per channel
* Electrically hot-pluggable
* Digital diagnostic SFF-8636 compliant
* Compliant with QSFP28 MSA
* Case operating temperature range:0°C to 70°C
* Power dissipation <2 W
* 4x25Gb/s 850mm VCSEL-based transmitter
* 4x25G electrical interface
* Single 3.3V power supply
* RoHS-6 compliant
* Single MPO12 receptacle
Applications
* 100G Ethernet &100GBASE-SR4
* ITU-T OTU4
Pin Assignment and Description

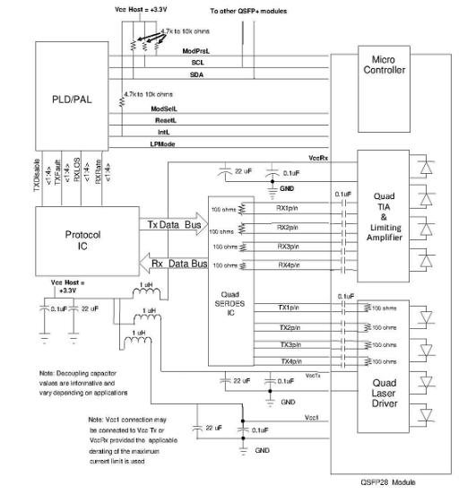
Host - Transceiver Interface Block Diagram

Mechanical Dimension


















































































