200G QSFP56 Optical Transceiver
QSFP modules provide solutions for AI/ML data center applications, network interface cards (NICs) on servers, and data center switches, while leveraging breakout features and backward compatibility with low-speed QSFP pluggable modules and cables. The Quad Channel Small Form Factor Pluggable (QSFP) portfolio provides customers with a variety of ultra-high density transceiver modules and flexible 200 Gigabit Ethernet connectivity options for data center, AI/ML, high performance computing networks, enterprise core and distribution tiers, and service provider applications.
Product Features
* Hot-pluggable QSFP form factor
* Compliant to CMIS V4.0
* Case temperature range of 0℃to +70℃
* Maximum link length of 100m on OM4 fiber with KP4 FEC
* +3.3V single power supply
* Power dissipation < 6W l Operating case temp
* Commercial: 0°C to +70 °C
* MPO-12 APC connector
* RoHS compliant
Applications
* 200GBASE-SR4 Ethernet
Ordering Information
| Part Number | Data Rate (Gb/s) | Wavelength (nm) | Transmission Distance(m) | Fiber Type | DDMI | Connector | Temperature (℃) |
| WTQ5D-85F4-M1B | 212.5 | 850 | 100m | MMF | YES | MPO 1x12 APC | 0℃~+70℃ |
Note:
1. OM4 fiber, 70m for OM3 fiber
2. Case Temperature after assembling
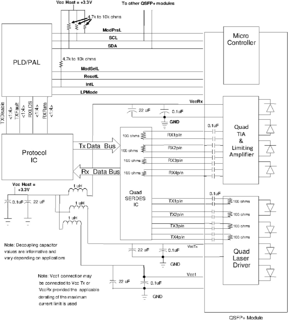
Recommended Interface Circuit

Pin arrangement

Opticalinterface arrangement
The optical port is a male MPO connector receptacle, with fiber lane assignments

Mechanical Dimension
<

















































































